Charger..? Jaman Now pasti semua orang tahu tentang charger. Bahkan mungkin sebagian kita kemana-mana charger ada selalu di dalam tas kita. Apa sih pengertian Charger, jenis-jenisnya dan aplikasinya..?
Charger atau juga disebut converter dalam istilah listrik adalah suatu rangkaian listrik yang digunakan untuk mengubah arus listrik AC (Arus bolak balik) menjadi arus listrik DC (arus searah). Sering kita mengenalnya dengan sebutan adaptor atau charger. Charger ini dikenal juga sebagai rectifier atau penyearah.
Fungsi dari Konversi ini adalah sebagai pasokan DC bagi peralatan yg membutuhkannya. Seperti komputer, Laptop, Radio, Tape, HP dan lain-lain.
Kapasitas charger tentunya disesuaikan dengan kapasitas battery yang terpasang, setidaknya kapasitas arusnya sesuai atau mencukupi untuk pengisian battery. Untuk battery jenis Alkali adalah 0,2 x kapasitas, sementara untuk jenis battery asam adalah 0,1 x kapasitas di tambah beban statis (tetap) pada unit pembangkitnya.
Kapasitas Charger = Konstanta jenis battery x kapasitas battery + Beban statis pembangkitnya
Contoh suatu unit pembangkit dengan jenis battery asam adalah 200 Ah, dan arus statisnya adalah 10 Ampere, Maka berapa kapasitas minimum arus rectifiernya?
= (0,1 x 200 ) +10 A
= 20 +10 A
= 30 A
Jadi kapasitas minimumnya yaitu 30 A.
JENIS CHARGER atau RECTIFIER
Sesuai dengan sumber tegangannya maka charger atau rectifier di bagi menjadi 2 bagian, yaitu :
1. Rectifier 1 phasa
Adalah rectifier yang rangkaian inputnya menggunakan AC 1 phasa. Input AC 1 phasa ini masuk ke dalam sisi primer trafo kemudian di sisi sekunder trafo di searahkan dengan menggunakan diode, maka tegangan menjadi DC.Keluaran ini masih mengandung ripple cukup tinggi sehingga diperlukan rangkaian filter untuk memperkecil ripple tegangan keluaran.
2. Rectifier 3 phasa
Adalah rectifier yang rangkaian inputnya menggunakan AC 3 phasa. Input AC 3 phasa ini masuk ke dalam sisi primer trafo kemudian di sisi sekunder trafo di searahkan dengan menggunakan diode bridge/thyristor, maka tegangan menjadi DC. Keluaran ini masih mengandung ripple namun berbeda dengan rectifier 1 phase ripplenya relatif lebih kecil, namun masih perlu rangkaian filter untuk memperkecil ripple tegangan keluaran.
Selanjutnya ke Bagian-bagian Charger/Rectifier, dibahas lebih detail di tulisan berikutnya.
Semoga bermanfaat.
Charger atau juga disebut converter dalam istilah listrik adalah suatu rangkaian listrik yang digunakan untuk mengubah arus listrik AC (Arus bolak balik) menjadi arus listrik DC (arus searah). Sering kita mengenalnya dengan sebutan adaptor atau charger. Charger ini dikenal juga sebagai rectifier atau penyearah.
Fungsi dari Konversi ini adalah sebagai pasokan DC bagi peralatan yg membutuhkannya. Seperti komputer, Laptop, Radio, Tape, HP dan lain-lain.
![]() |
| Gambar 1 Prinsip Converter AC-DC/Rectifier |
Kapasitas charger tentunya disesuaikan dengan kapasitas battery yang terpasang, setidaknya kapasitas arusnya sesuai atau mencukupi untuk pengisian battery. Untuk battery jenis Alkali adalah 0,2 x kapasitas, sementara untuk jenis battery asam adalah 0,1 x kapasitas di tambah beban statis (tetap) pada unit pembangkitnya.
Kapasitas Charger = Konstanta jenis battery x kapasitas battery + Beban statis pembangkitnya
Contoh suatu unit pembangkit dengan jenis battery asam adalah 200 Ah, dan arus statisnya adalah 10 Ampere, Maka berapa kapasitas minimum arus rectifiernya?
= (0,1 x 200 ) +10 A
= 20 +10 A
= 30 A
Jadi kapasitas minimumnya yaitu 30 A.
JENIS CHARGER atau RECTIFIER
Sesuai dengan sumber tegangannya maka charger atau rectifier di bagi menjadi 2 bagian, yaitu :
1. Rectifier 1 phasa
Adalah rectifier yang rangkaian inputnya menggunakan AC 1 phasa. Input AC 1 phasa ini masuk ke dalam sisi primer trafo kemudian di sisi sekunder trafo di searahkan dengan menggunakan diode, maka tegangan menjadi DC.Keluaran ini masih mengandung ripple cukup tinggi sehingga diperlukan rangkaian filter untuk memperkecil ripple tegangan keluaran.
![]() |
| Gambar 2 Rectifier 1 phase tanpa filter |
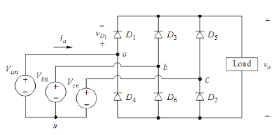
Adalah rectifier yang rangkaian inputnya menggunakan AC 3 phasa. Input AC 3 phasa ini masuk ke dalam sisi primer trafo kemudian di sisi sekunder trafo di searahkan dengan menggunakan diode bridge/thyristor, maka tegangan menjadi DC. Keluaran ini masih mengandung ripple namun berbeda dengan rectifier 1 phase ripplenya relatif lebih kecil, namun masih perlu rangkaian filter untuk memperkecil ripple tegangan keluaran.
![]() |
| Gambar 3 Rectifier 3 Phasa tanpa filter |
Semoga bermanfaat.






0 komentar:
Posting Komentar